亚洲国产三级I亚洲激情 欧美激情I国产麻豆剧传媒免费观看I欧美日韩精品综合I在线观看av小说I激情久久五月

產品中心

點擊查看相冊

WSSX工業雙金屬溫度計(電接點型無固定裝置)

WSS型系列工業雙金屬溫度計是一種適合測量中、低溫 的現場檢測工業儀表。可直接測量氣體、液體的溫度,廣泛應 用于石油、化 ...

咨詢熱線:400-887-1087 立即咨詢

產品詳情

WSS型系列工業雙金屬溫度計是一種適合測量中、低溫 的現場檢測工業儀表。可直接測量氣體、液體的溫度,廣泛應 用于石油、化工、船舶、機械、醫藥、電力等行業,是玻璃 溫度計的替代產品。
我公司生產的WSS工業雙金屬溫度計,產品規格品種齊 全,包括普通雙金屬溫度計,電接點式、可調角型、一體化,全 不銹鋼防腐型雙金屬溫度計,以及有特殊安裝方式、特殊型號和 特殊防腐要求的產品,并可配套生產外保護管,保證質量. 供貨及時。

WSSX工業雙金屬溫度計(電接點型無固定裝置)_http://m.ttwn.com.cn_雙金屬溫度計_第1張

工作原理

雙金屬溫度計的感溫元件由繞制成螺旋狀的雙金屬片構成。雙金屬片受熱膨脹,由于雙金屬片主動層和被動層的膨脹 系數不同,而產生扭轉,使熱能轉變為機械能,帶動指針旋轉,實現顯示被測介質溫度的目的。

WSSX工業雙金屬溫度計(電接點型無固定裝置)選型對照表

WSSX工業雙金屬溫度計(電接點型無固定裝置)_http://m.ttwn.com.cn_雙金屬溫度計_第2張

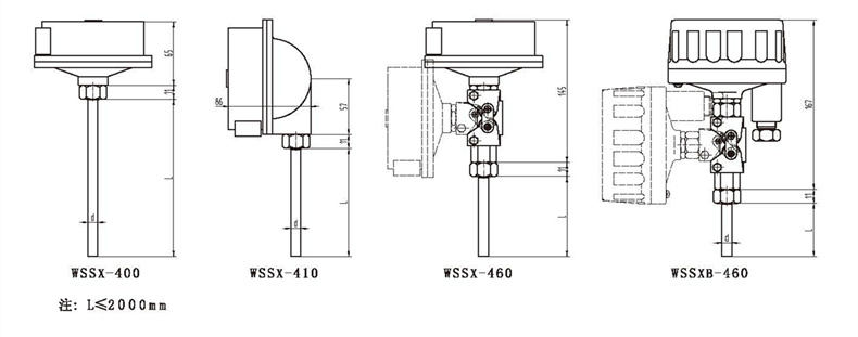
結構示意圖

WSSX工業雙金屬溫度計(電接點型無固定裝置)_http://m.ttwn.com.cn_雙金屬溫度計_第3張

相關推薦

'); })();